top of page
AutoCAD
Project

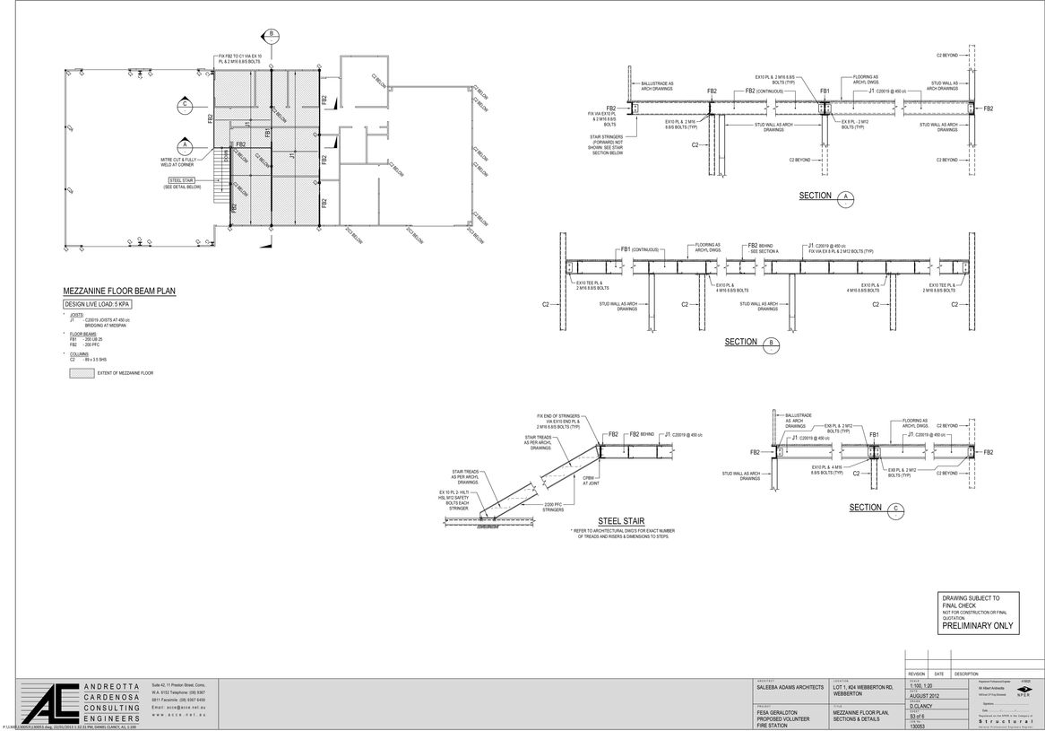
A detailed structural engineering documentation package for the Geraldton Fire Station including mezzanine beam plans roof framing layouts pad footings structural bracing block screen walls and various roof and slab connection details. The drawings include structural notes design loads steelwork details flybrace arrangements bracing specifications and cross sections required for new works and retrofits.
bottom of page







